
1、概述
我国3~35kV系统存在如下几种过电压:断路器等设备的操作过电压、单相接地时产生的金属及弧光接地过电压、雷击时产生的大气过电压,以及系统的非线性电感与线路对地电容的匹配而引起的铁磁谐振过电压等。由于各种过电压产生的条件及大小有很大差异,目前尚无针对这些过电压的完整保护方案,经常会发生诸如电缆放炮、电动机等设备绝缘被击穿、避雷器爆炸和电压互感器烧毁等事故。此类事故发生的原因很多,除了与系统中装设的过电压保护类产品的性能有关外,系统本身的复杂性对过电压也有着重要影响。对于不同的系统,使用过电压保护产品时需要考虑系统输电线路的类型、输配电线路的网络结构、负载的性质和系统的接地方式等等。针对如此复杂的系统,难以孤立的使用某种或某几种过电压保护产品来全面抑制各种类型的系统过电压,如MOA、组合式过电压保护器、消弧线圈、各种原理的消弧装置及PT消谐器等。尽管在这些系统中装设各种过电压保护产品,但因产品保护特性不能很好的匹配,而无法彻底有效地抑制系统过电压,同一系统中装设不同厂家的过电压保护产品更是如此。
针对目前3~35kV电力系统过电压防治的现状,我公司研制生产了系统过电压抑制装置(简称ZZY),可弥补系统中各种过电压保护产品的不足,有效提升了系统过电压的保护水平。
ZZY装置采用本公司研制的专用过电压吸收器(ZZY-X),不仅能够抑制系统的尖峰过电压,而且因为其采用低动态电阻氧化锌阀片,因而ZZY-X的残压值就大大降低了,能很好的消除系统过电压的保护死区。加上其超强的能容,能有效地钳制系统过电压并吸收系统过电压发生时所产生的大量能量,具有很好的聚能、吸能的作用,能有效的抑制大气过电压、操作过电压以及幅值较大的弧光接地过电压和铁磁谐振过电压。所以ZZY能与系统中的各种过电压保护器及各种消弧装置配合使用,弥补其他产品的不足,更加优化和完善了对系统中各种过电压装置的保护特性,提升了系统过电压的保护水平。同时,ZZY在PT的一次接地点的智能消谐装置中,采用了瞬间恢复技术,从根本上解决了系统单相接地故障消除后,在三相电压恢复平衡时,系统对地电容的涌流会对PT造成冲击,可能会引起PT熔断器熔断甚至损坏PT的问题。
ZZY装置针对铁磁谐振过电压也进行了切实有效的保护。在电力系统中,由于电压互感器的非线性电感与线路对地电容的匹配而引起的铁磁谐振过电压,直接威胁电力系统的运行,严重时会引起电压互感器的损毁,造成事故。通常解决的方法是在开口三角绕组中并一个电阻,从理论上讲对频率越低的铁磁谐振应取得阻值越小,但太小的电阻并在PT开口三角上会影响其正常运行,严重时会造成PT烧毁。因为系统铁磁谐振的频率往往不是单一的,所以这种方法就难于消除所有的谐振,而且增加烧毁PT的风险,造成事故。在总结国内各种消谐装置成功经验的基础上,根据广大电力用户需求,我公司在ZZY装置的微机消谐电压互感器综合保护装置上,采用微机DSP技术实现电网消谐,利用其快速、准确的数据处理能力来实现傅里叶分析。通过对PT三相电压及开口三角电压的采集,对电网谐振时的种种频率成分进行快速、准确的分析,准确地辨出谐振的谐波频率,并根据不同的频率让计算机发出不同的指令,使不同的消谐电路迅速投入,实现快速消谐。经实际运行证明:本装置对连续0~300Hz谐振均判断准确,动作迅速,较完善地解决了电力系统中电网的谐振问题。虽然二次消谐在消除系统谐振方面具有准确性和快速性,但二次消谐在消除谐振过程中,增加了开口三角的负荷,若系统谐振长时间不能消除,二次消谐有引起PT熔断器熔断或损毁PT的风险。所以,在ZZY的PT一次接地点的智能消谐装置中,在二次消谐动作2~3个周波后,强行退出二次消谐,同时将一次消谐器投入使用,这样避免了PT熔断器熔断或损毁PT的风险,保护性能大大增强。
ZZY装置的微机消谐电压互感器综合保护装置实时不断地检测PT的电压信号,一旦系统发生PT断线、过电压、低电压、失压、谐振等故障时,根据PT提供的电压信号,利用DSP技术的快速、准确的处理能力,对电压波形进行实时采集,并准确判断出系统的故障情况,显示故障类别,发出报警信号,输出相应的开关量接点信号,大大提高设备的性能和性价比。ZZY具有RS485或RS232接口,配有标准Modbus通信规约,可与用户微机监控实现数据远距离传送。
基于PT提供的开口电压信号而设计的产品。装置总体结构如下图所示:主要由微处理器、按键显示、信号输出和电源等模块构成。

2、产品特点
● 本装置可根据用户系统需求,提供全面的过电压保护方案(因此在产品设计时,用户需提供详细的系统结构和参数);
● 可有效地消除系统过电压保护死区;
● 具有超强的能容,能有效的钳制系统过电压并吸收系统过电压发生时产生的大量能量;
● 具有过电压、低电压、失压、PT断线等保护功能,性价比高;具有常规PT柜的所有功能,可直接取代PT柜。
● 采用瞬间恢复技术,在系统单相接地故障消除后,可以有效的抑制通过PT的对地电容冲击电流,保护PT和高压熔断器不被烧毁;
● 采用微机DSP技术实现电网消谐,能快速、准确的对连续0~300Hz谐振进行判断,实现快速消谐功能;
● 具有二次消谐与一次消谐切换的功能,消除二次消谐长时间动作对PT造成的熔断器熔断或烧毁的风险。
● 装置适用范围广泛,并具有拓展功能,可选配小电流选线、PT切换等功能,投运、维护简单、方便。
3、适用范围
适合用于发电、变电和用电企业的3~35kV电力系统,并可替代电压互感器柜、专用避雷器柜等。
4、产品型号及技术参数
● 额定电压(kV):3、6、10、13.8、20、24、35kV
● 额定频率(Hz):50/60
● 2ms方波冲击电流(A):1600、2400、3200(根据系统方案确定)
● 附加功能:X为小电流选线功能;P为PT切换功能
● 控制器参数:电源电压:AC/DC 220V;DC110V
● 通讯接口:RS485与CAN接口
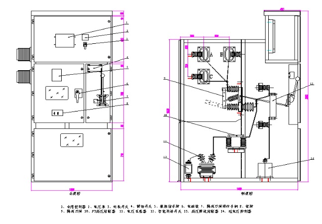
5、抑制柜一次原理图

6、抑制柜外形结构示意图及安装尺寸
●手车式
●固定式

7、使用环境
● 使用环境:-30℃~+60℃。
● 大气压力:80—110kPa。
● 空气相对湿度:90%(25℃)、50%(40℃)。
● 海拔高度:≤2000m,特殊要求可达4000M。
● 安装地点应具有防御风、雨、沙和防尘设施。
● 使用地点不得有爆炸危险的介质,周围介质不得含有腐蚀和破坏绝缘的导电介质或气体,不允许环境充满蒸气及含有较严重霉菌存在。
山东志者电气科技有限公司
热线:0531-81302288
网址:www.zhizhekeji.com
地址:山东省济南市经十东路33558号